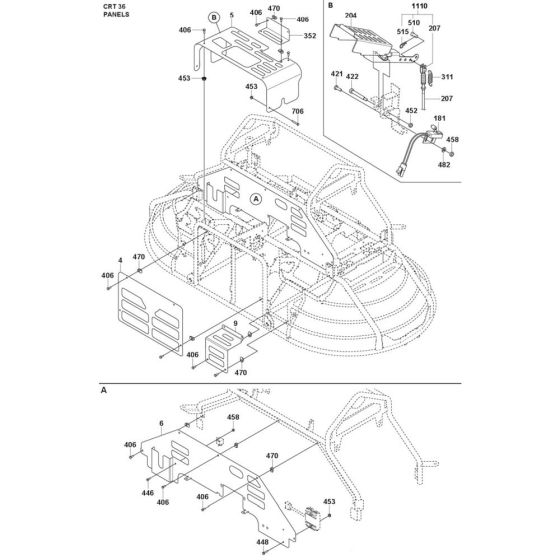
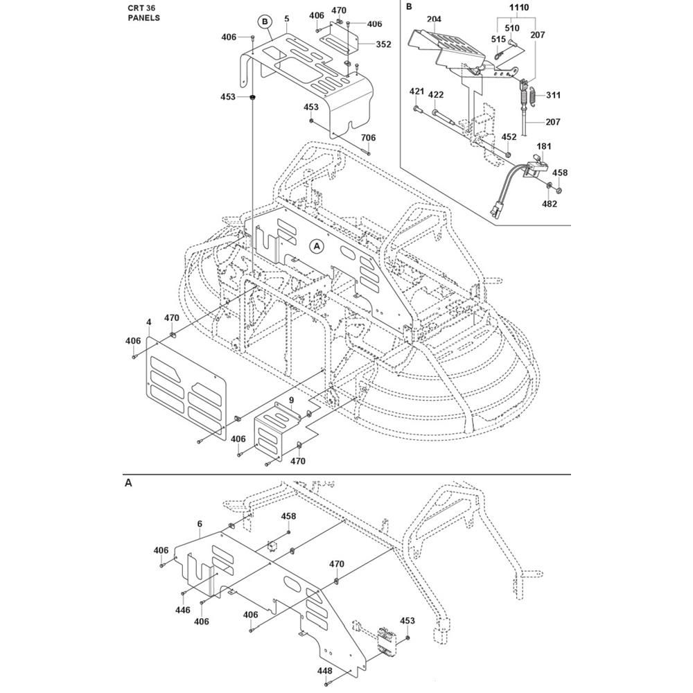
Description
The Panel Assembly for the Husqvarna CRT 36 Ride-On Trowel is designed to ensure optimal performance and durability. This assembly includes key components such as panels, fasteners, and brackets, which are essential for maintaining the structural integrity and functionality of the trowel. Ideal for routine maintenance and repairs, these parts help in achieving smooth and efficient concrete finishing.
Reviews
Add a review
Write Your Own Review
Ask a Question
Customer Questions

