Description
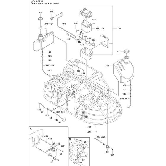
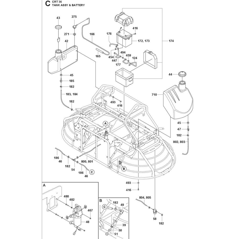
The Tank Assembly for the Husqvarna CRT 36 Ride-On Trowel is essential for maintaining optimal performance. This assembly includes components that ensure efficient fuel storage and delivery, crucial for the machine's operation. Designed for durability and compatibility, it helps in reducing downtime and enhancing the trowel's lifespan.
Reviews
Add a review
Write Your Own Review
Ask a Question
Customer Questions

