Description
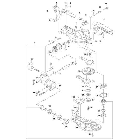
The Gear Housing Assembly for the Husqvarna HA850 Attachment is designed to ensure optimal performance and longevity. This assembly includes key components such as gears, shafts, and bearings, which work together to transmit power efficiently. Essential for maintaining the functionality of your attachment, it helps in reducing wear and tear during operation.
Reviews
Add a review
Write Your Own Review
Ask a Question
Customer Questions

