
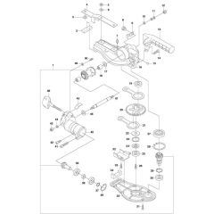
Husqvarna HA850 Attachment Parts
Shop by diagram
All products
-
Knob - Genuine Husqvarna Part - 537 13 04-02£5.48 £4.57 -
Bracket for Husqvarna 323HE3 Hedgetrimmer - 537 23 21-01£12.56 £10.47 -
Cup Washer - Genuine Husqvarna No. 737 38 52 00£3.23 £2.69 -
Sealing - Genuine Husqvarna Part - 537 39 49-01£3.70 £3.08