
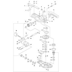
Husqvarna HA110 Attachment Parts
Shop by diagram
All products
-
Bracket for Husqvarna 323HE3 Hedgetrimmer - 537 23 21-01£12.94 £10.78 -
Cup Washer - Genuine Husqvarna No. 737 38 52 00£3.06 £2.55 -
Sealing - Genuine Husqvarna Part - 537 39 49-01£3.82 £3.18