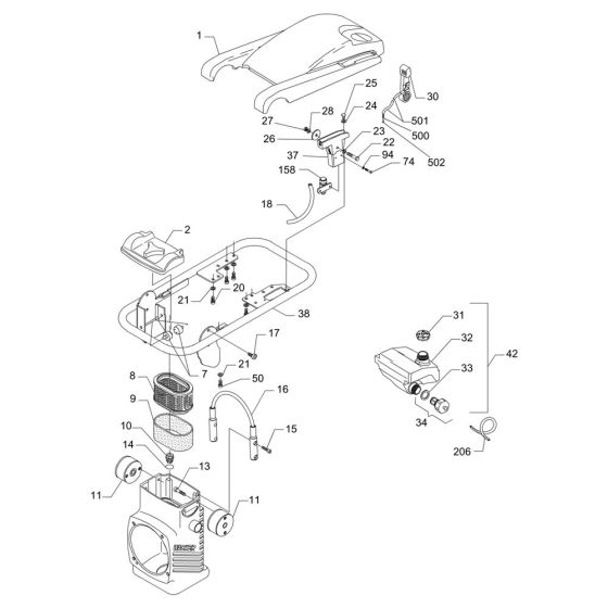
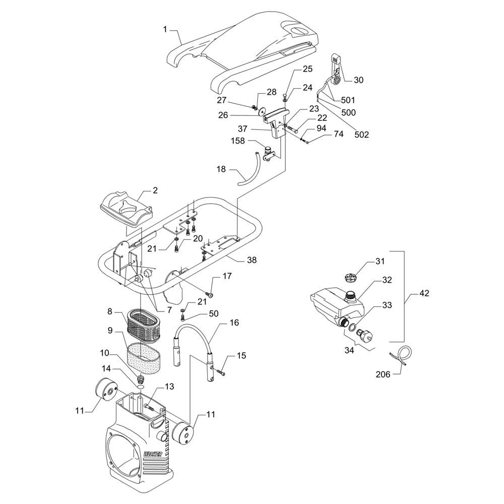
Description
The Guide Handle Assembly for the Wacker BS600S Trench Rammer is essential for effective operation and control. This assembly includes components designed to provide stability and ease of use during trench compaction tasks. Genuine Wacker Neuson parts ensure compatibility and durability, helping maintain the machine's performance and operator comfort.
Reviews
Add a review
Write Your Own Review
Ask a Question
Customer Questions

