excellent reviews view over 8000 reviews
next day delivery over 500,000 items in stock
no hassle returns buy with confidence
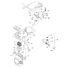
Wacker BS600S Trench Rammer Parts

Wacker BS600S Trench Rammer Parts

All products

Page

1-48 of 170 Items

Set Descending Direction
Page

1-48 of 170 Items

Set Descending Direction

Recently viewed products