Description
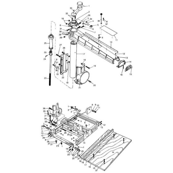
The Main Assembly for the DeWalt DN890 Radial Arm Saw is a crucial component for maintaining the tool's precision and efficiency. This genuine DeWalt part includes various elements such as bearings, gears, and levers, ensuring optimal performance and longevity. Designed for easy integration, it supports the saw's cutting capabilities and overall functionality.
Reviews
Add a review
Write Your Own Review
Ask a Question
Customer Questions

