
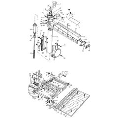
DeWalt DN890-----A Type 1 Radial Arm Saw Parts
Spare Parts and Part Diagrams for DeWalt DN890-----A Type 1 Radial Arm Saws
Spare Parts and Part Diagrams for DeWalt DN890-----A Type 1 Radial Arm Saws
Shop by diagram
All products
-
Hex Nut for DeWalt DW721KN, DW432K Angle Grinders - 860083-03Was £2.77 £2.31 Special Price £2.24 £1.87