
Belle Midi 20-110D (PAN) Power Pack Parts
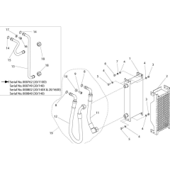
Genuine Spare Parts for Belle Midi 20-110D (PAN) Power Packs, Complete Parts Breakdown Available. Buy From an Authorised Belle Dealer
Genuine Spare Parts for Belle Midi 20-110D (PAN) Power Packs, Complete Parts Breakdown Available. Buy From an Authorised Belle Dealer
Shop by diagram
All products
-
Washer M10 for Belle Construction Equipment£0.47 £0.39 -
Screw M6 x 16 for Belle Premier XT Site Mixer£0.48 £0.40 -
Hydraulic Filter Belle MIDI Power Pack - OEM No. 00178£54.16 £45.13 -
Coupling 3/8" BSP Male - Genuine Belle Part - 00545£58.87 £49.06 -
Rubber Base Foot for Belle Midi 20 Breaker - 00525-B£10.24 £8.53 -
Oil Cooler for Belle Midi 20 Power Pack - OEM No. 01414£322.27 £268.56 -
O Ring for Belle 20-25 PAN Breaker - 10-202-6347£0.47 £0.39