
Bomag BW 90 S Roller (S/N 101028000131 - 101028001169)
Shop by diagram

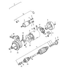
Starter Assembly for Bomag BW 90 S

Air Filter for Bomag BW 90 S

Safety Actuation C4 Assembly

Safety Actuation C3 Assembly

Starting Device Assembly

Starting Device for Bomag BW 90 S

Safety Actuation C1 Assembly

Decal Assembly for Bomag BW 90 S

Bomag BW 90 S Roller Tools

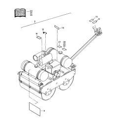
Bomag BW 90 S Drum Assembly

Sprinkler System Assembly

Sprinkler System Assembly

Cross Pieces Assembly

Throttle Actuation Assembly

Throttle Actuation for Bomag BW 90 S

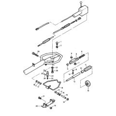
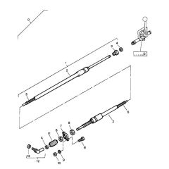
Clutch Cable Assembly for Bomag

Clutch Cable Assembly for Bomag

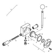
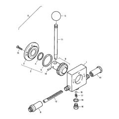
Gear Housing Assembly for Bomag

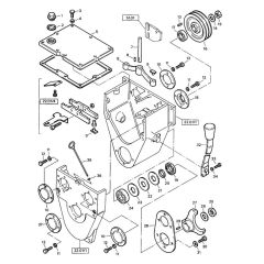
Transmission Assembly for Bomag

Transmission Assembly for Bomag

Transmission Assembly for Bomag

Transmission Assembly for Bomag

Centrifugal Clutch for Bomag BW 90 S

Clutch Assembly for Bomag BW 90 S

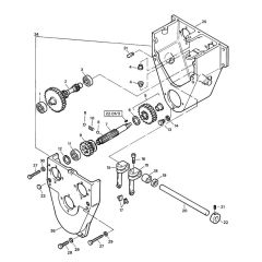
Engine Connection Assembly

Engine Connection Assembly
All products
-
Washer for Bomag BT60 Rammer - OEM No. 08752130£9.28 £7.73
-
Shim Bw55 - Genuine Bomag Part - OEM No. 05521225£10.15 £8.46
-
Hex Bolt - Genuine Bomag Part - OEM No. 07140626£5.60 £4.67