
ECHO SRM-2621TES/L Brushcutter Parts
Shop by diagram

ECHO SRM-2621TES/L Accessories

Throttle for ECHO Brushcutter

Main Pipe & Handle for ECHO

Gear Case & Shield for ECHO

Recoil Starter for ECHO SRM-2621TES/L

Muffler for ECHO Brushcutter

Fuel Tank for ECHO SRM-2621TES/L

Carburettor for ECHO SRM-2621TES/L

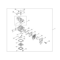
Air Cleaner & Carburettor

Clutch for ECHO Brushcutter

Magneto for ECHO Brushcutter

Crankcase for ECHO SRM-2621TES/L

Cylinder, Piston, Crankshaft
All products
-
Gasket for ECHO Machines - OEM No. 12314027230£3.62 £3.02
-
Screw for ECHO Machines - OEM No. 17723661830£1.58 £1.32
-
Adaptor Plate for ECHO Machines - OEM No. 61031452130£15.46 £12.88
-
Insulator Plate for ECHO Machines - OEM No. A209001010£24.28 £20.23