excellent reviews view over 8000 reviews
next day delivery over 500,000 items in stock
no hassle returns buy with confidence
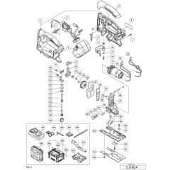
Hikoki CJ18DA Cordless Jigsaw Parts

Hikoki CJ18DA Cordless Jigsaw Parts

Spare Parts and Part Diagrams for the Hikoki CJ18DA Cordless Jigsaw.
Spare Parts and Part Diagrams for the Hikoki CJ18DA Cordless Jigsaw.

All products

9 Items

Set Descending Direction

9 Items

Set Descending Direction

Recently viewed products