
Hikoki DH18DL Cordless Rotary Hammer Parts
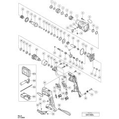
Spare Parts and Part Diagrams for the Hikoki DH18DL Cordless Rotary Hammer.
Spare Parts and Part Diagrams for the Hikoki DH18DL Cordless Rotary Hammer.