
Hikoki WR25SE Impact Wrench Parts
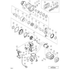
Spare Parts and Part Diagrams for the Hikoki WR25SE Impact Wrench.
Spare Parts and Part Diagrams for the Hikoki WR25SE Impact Wrench.
Shop by diagram
All products
-
Rotor Ass'y (c) - Genuine Hikoki Hitachi Part - OEM No. 360989£205.32 £171.10