
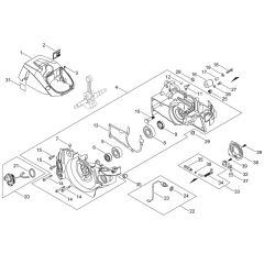
ECHO CS-452ESX Chainsaw Parts
Shop by diagram

ECHO CS-452ESX Chainsaw Accessories

Chain Brake for ECHO CS-452ESX

Handle for ECHO CS-452ESX

Recoil Starter for ECHO CS-452ESX

Muffler for ECHO CS-452ESX

Carburettor for ECHO CS-452ESX

Air Cleaner & Magneto for ECHO

Magneto for ECHO CS-452ESX

Crankcase for ECHO CS-452ESX

Cylinder, Piston, Crankshaft
All products
-
Boot for ECHO Machines - OEM No. A202000150£16.25 £13.54
-
Scabbard for ECHO Machines - OEM No. X490000570£15.95 £13.29
-
Washer for ECHO Machines - OEM No. 90060000005£0.36 £0.30
-
Washer for ECHO Machines - OEM No. 90060300004£0.48 £0.40
-
Screw for ECHO Machines - OEM No. 90025304008£0.36 £0.30
-
Screw for ECHO Machines - OEM No. 90021204008£0.40 £0.33
-
Washer for ECHO Machines - OEM No. V304000270£0.73 £0.61