excellent reviews view over 8000 reviews
next day delivery over 500,000 items in stock
no hassle returns buy with confidence
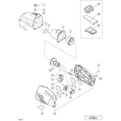
Hikoki R18DSL Cordless Cleaner Parts

Hikoki R18DSL Cordless Cleaner Parts

Spare Parts and Part Diagrams for the Hikoki R18DSL Cordless Cleaner.
Spare Parts and Part Diagrams for the Hikoki R18DSL Cordless Cleaner.

All products

We can't find products matching the selection.

Recently viewed products