
Honda GX270H (GCADH) Engine Parts
Spare Parts for Honda GX270H (GCADH) Engines.

Spare Parts for Honda GX270H (GCADH) Engines.

Shop by diagram

Recoil Starter for Honda GX270H

Recoil Starter for Honda GX270H

Fan Cover for Honda GX270H

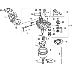
Carburettor Assembly for GX270H

Air Cleaner for Honda GX270H

Muffler Assembly for GX270H

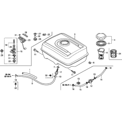
Fuel Tank Assembly for GX270H

Flywheel Assembly for GX270H

Cylinder Head Assembly Honda GX270H

Ignition Coil for Honda GX270H

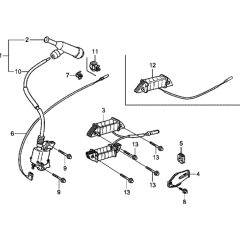
Control Assembly for GX270H

Label Assembly for Honda GX270H

Cylinder Barrel Assembly

Cylinder Cover for Honda GX270H

Crankshaft Assembly for GX270H

Piston Assembly for Honda GX270H

Camshaft Assembly for GX270H
All products
-
Non Genuine Exhaust Assembly for Honda GX340 GX390£33.48 £27.90
-
Non Genuine Air Filter Assembly for Honda GX240 GX270£21.60 £18.00
-
6mm Plain Washer Fits Honda GHX50 - 94101-06800£1.08 £0.90
-
Fuel Shut Off Tap for Honda GX Range - 16953 ZE1 812£12.22 £10.18