
Husqvarna 12 LRC Trimmers/Edgers
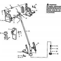
Spares for Husqvarna 12 LRC Trimmer/Edgers
Spares for Husqvarna 12 LRC Trimmer/Edgers
Shop by diagram
All products
-
Screw - Genuine Husqvarna Part - 530 01 57-75£2.24 £1.87 -
Clip - Genuine Husqvarna Part - 530 40 14-66£0.96 £0.80 -
Screw - Genuine Husqvarna Part - 530 40 14-67£1.66 £1.38