
Husqvarna 140E Chainsaw Parts
Spares for Husqvarna 140E Chainsaws
Spares for Husqvarna 140E Chainsaws
Shop by diagram

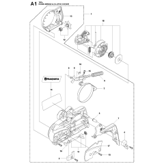
Chain Brake & Clutch Cover

Clutch & Oil Pump Assembly

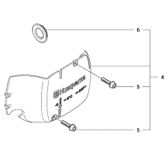
Cylinder Cover for Husqvarna 140e

Starter Assembly for Husqvarna 140e

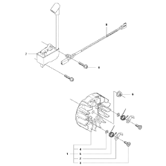
Ignition System for Husqvarna 140e

Muffler Assembly for Husqvarna 140e

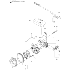
Carburetor & Air Filter Assembly

Cylinder Piston Assembly

Crankshaft Assembly for Husqvarna 140e

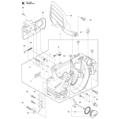
Crankcase Assembly for Husqvarna 140e

Fuel Tank Assembly for Husqvarna 140e

Handle Assembly for Husqvarna 140e

Carburetor Assembly for Husqvarna

Husqvarna 140e Chainsaw Accessories

Winter Kit for Husqvarna 140e
All products
-
Service Kit for Husqvarna 135, 140, 435 Chainsaws - OEM No. 597 91 97-07Was £30.00 £25.00 Special Price £28.07 £23.39
-
Oil Seal for Husqvarna 435 Chainsaw - 544 25 13 01£12.74 £10.62