
Husqvarna 357XP Chainsaw Parts
Spares for Husqvarna 357XP Chainsaws
Spares for Husqvarna 357XP Chainsaws
Shop by diagram

Chain Brake Assembly for 357XP

Clutch & Oil Pump Assembly

Cylinder Cover for Husqvarna 357XP

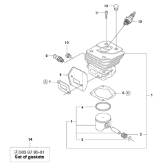
Cylinder Piston Assembly

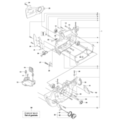
Crankshaft Assembly for 357XP

Muffler Assembly for 357XP

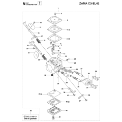
Carburetor & Air Filter for 357XP

Crankcase Assembly for 357XP

Fuel Tank Assembly

Handle Assembly for 357XP

Ignition System for Husqvarna 357XP

Starter Assembly for Husqvarna

Husqvarna 357XP Accessories

Carburetor Assembly for 357XP

Service Updates for 357XP
All products
-
Piston Circlip for Husqvarna K760 - 737 43 12 00£2.24 £1.87
-
Clip Fits Husqvarna 350 Chainsaw - 537 43 88 01£1.22 £1.02