
Husqvarna 450E Chainsaw Parts
Spares for Husqvarna 450E Chainsaws
Spares for Husqvarna 450E Chainsaws
Shop by diagram

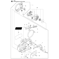
Chain Brake & Clutch Cover

Clutch & Oil Pump Assembly

Cylinder Cover for Husqvarna 450e

Starter Assembly for Husqvarna

Ignition System for Husqvarna 450e

Muffler Assembly for Husqvarna 450e

Carburetor & Air Filter for Husqvarna

Cylinder Piston Assembly

Crankshaft Assembly for 450e

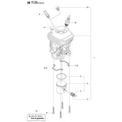
Crankcase Assembly for Husqvarna

Fuel Tank Assembly Husqvarna 450e

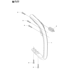
Handle Assembly for Husqvarna 450e

Carburetor Assembly for 450e

Winter Kit for Husqvarna 450e
All products
-
Service Kit for Husqvarna 445, 450, 445E Chainsaws - OEM No. 597 91 97-05Was £29.34 £24.45 Special Price £21.78 £18.15