
Husqvarna 524 L Trimmers/Edgers
Spares for Husqvarna 524 L Trimmer/Edgers
Spares for Husqvarna 524 L Trimmer/Edgers
Shop by diagram

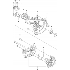
Bevel Gear for Husqvarna 524 L

Shaft & Handle for Husqvarna 524 L

Throttle Controls for Husqvarna

Cover for Husqvarna 524 L

Carburetor & Air Filter for Husqvarna

Starter for Husqvarna 524 L

Fuel Tank for Husqvarna 524 L

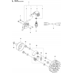
Ignition & Clutch for Husqvarna 524 L

Cylinder, Piston & Muffler

Crankcase for Husqvarna 524 L

Crankshaft for Husqvarna 524 L

Carburetor for Husqvarna 524 L

Husqvarna 524 L Accessories

Husqvarna 524 L Accessories

Harness for Husqvarna 524 L
All products
-
Knob - Genuine Husqvarna Part - 537 13 04-02£5.48 £4.57