
Husqvarna 56 DHS Series 5 Consumer Lawn Mower Parts
Spares for Husqvarna 56 DHS Series 5 Consumer Lawn Mowers. Genuine and Non-Genuine Parts Available.
Spares for Husqvarna 56 DHS Series 5 Consumer Lawn Mowers. Genuine and Non-Genuine Parts Available.
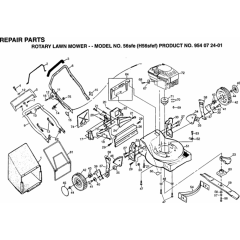
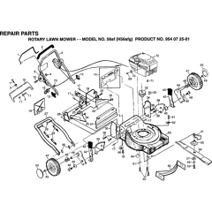
Shop by diagram
All products
-
Washer - Genuine Husqvarna Part - 532 05 70-79£2.29 £1.91 -
Washer - Genuine Husqvarna Part - 532 06 23-35£2.80 £2.33 -
Nut - Genuine Husqvarna Part - 532 06 91-80£1.79 £1.49 -
Bearing - Genuine Husqvarna Part - 532 07 78-81£5.72 £4.77 -
Engine Pulley - Genuine Husqvarna Part - 532 08 45-96£34.20 £28.50 -
Plug - Genuine Husqvarna Part - 532 08 64-47£4.60 £3.83 -
Washer - Genuine Husqvarna Part - 532 08 81-18£2.53 £2.11 -
Pinion - Genuine Husqvarna Part - 532 13 70-54£36.92 £30.77 -
Spring - Genuine Husqvarna Part - 532 13 70-90£3.62 £3.02 -
Cable - Genuine Husqvarna Part - 532 14 21-03£128.52 £107.10 -
Throttle Trigger - Genuine Husqvarna Part - 532 70 04-17£25.62 £21.35 -
Screw - Genuine Husqvarna Part - 532 75 00-29£2.80 £2.33 -
Battery - Genuine Husqvarna Part - 532 75 09-09£77.84 £64.87