
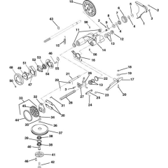
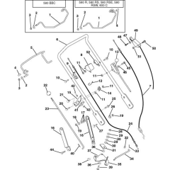
Husqvarna 600 C Consumer Lawn Mower Parts
Spare Parts for Husqvarna 600 C Consumer Lawn Mowers. Genuine and Non Genuine Parts Available.
Spare Parts for Husqvarna 600 C Consumer Lawn Mowers. Genuine and Non Genuine Parts Available.