
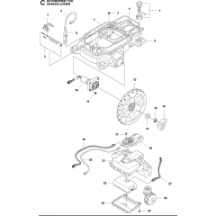
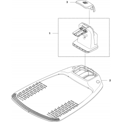
Husqvarna Automower 115H Parts
Husqvarna Automower 115H Parts. Genuine and None Genuine Spare Parts Available.
Husqvarna Automower 115H Parts. Genuine and None Genuine Spare Parts Available.
Shop by diagram
All products
-
Charger Battery Test - Genuine Husqvarna Part - 588 40 84-01£127.80 £106.50