
Husqvarna Automower 220 AC Parts
Husqvarna Automower 220 AC Parts. Genuine and None Genuine Spare Parts Available.
Husqvarna Automower 220 AC Parts. Genuine and None Genuine Spare Parts Available.
Shop by diagram
All products
-
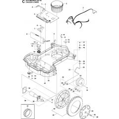
Spring - Genuine Husqvarna Part - 535 12 86-01£11.06 £9.22 -
Sealing Strip for Husqvarna 220 AC, 230 ACX Automowers - 574 87 47 02Was £2.08 £1.73 Special Price £1.20 £1.00 -
Main Wiring - Genuine Husqvarna Part - 501 00 37-03£110.76 £92.30 -
Horn - Genuine Husqvarna Part - 501 00 42-01£26.28 £21.90 -
Screw - Genuine Husqvarna Part - 502 23 91-01£3.96 £3.30 -
Spacer - Genuine Husqvarna Part - 505 13 14-01£5.12 £4.27 -
Main Body Kit 220 Ac - Genuine Husqvarna Part - 510 09 67-01£144.24 £120.20