
Husqvarna Automower 310 Parts
Husqvarna Automower 310 Parts. Genuine and None Genuine Spare Parts Available.
Husqvarna Automower 310 Parts. Genuine and None Genuine Spare Parts Available.
Shop by diagram
All products
-
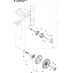
Decal - Genuine Husqvarna Part - 577 46 90-01£11.76 £9.80 -
Stud - Genuine Husqvarna Part - 580 52 67-01£1.68 £1.40