
Husqvarna CUTTING DECK C132 X Rider Parts
Spares for Husqvarna CUTTING DECK C132 X for Riders
Spares for Husqvarna CUTTING DECK C132 X for Riders
Shop by diagram
All products
-
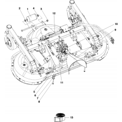
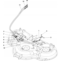
Screw for Husqvarna Machine - 725 25 42 86£7.42 £6.18 -
Washer - Genuine Husqvarna Part - 544 22 16-01£4.56 £3.80 -
Cutting Deck Kit Sp Part X132 - Genuine Husqvarna Part - 501 01 14-01£2,242.80 £1,869.00 -
Screw - Genuine Husqvarna Part - 504 02 13-02£4.22 £3.52 -
Nut - Genuine Husqvarna Part - 504 81 26-01£1.25 £1.04 -
Plug Assembly - Genuine Husqvarna Part - 544 16 62-03£184.08 £153.40 -
Pipe Fitting - Genuine Husqvarna Part - 575 88 13-02£10.40 £8.67 -
Screw - Genuine Husqvarna Part - 576 65 48-05£8.56 £7.13 -
Spacer - Genuine Husqvarna Part - 577 16 24-01£3.23 £2.69 -
Spacer - Genuine Husqvarna Part - 577 20 78-01£5.48 £4.57 -
Radial Seal - Genuine Husqvarna Part - 577 22 60-01£21.84 £18.20 -
Washer - Genuine Husqvarna Part - 577 61 45-01£5.48 £4.57 -
Spring - Genuine Husqvarna Part - 579 50 34-01£3.32 £2.77 -
Cotter - Genuine Husqvarna Part - 579 59 59-01£9.14 £7.62