
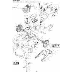
Husqvarna ELITE SPH2 Commercial Lawn Mower Parts
Spares for Husqvarna ELITE SPH2 Commercial Lawn Mowers. Genuine and Non Genuine Parts.
Spares for Husqvarna ELITE SPH2 Commercial Lawn Mowers. Genuine and Non Genuine Parts.
Shop by diagram
All products
-
Nut - Genuine Husqvarna Part - 732 26 16-01£1.79 £1.49 -
Washer - Genuine Husqvarna Part - 519 65 34-62£1.79 £1.49 -
Screw - Genuine Husqvarna Part - 580 31 37-01£1.79 £1.49