
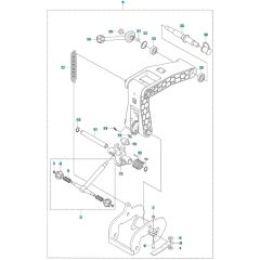
Husqvarna K1 PACE RAIL Battery Disc Cutter Parts
Shop by diagram
All products
-
Washer for Husqvarna K760 - 522 47 48 01£1.99 £1.66 -
Washer Steel for Husqvarna K760 - 503 23 01 16£1.50 £1.25