
Husqvarna K40 Disc Cutter Parts
Spares for Husqvarna K40 Disc Cutters
Spares for Husqvarna K40 Disc Cutters
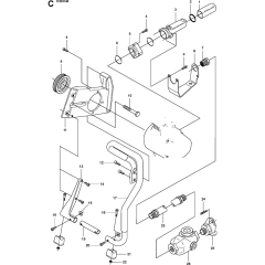
Shop by diagram
All products
-
Sprocket Cover Nut M8 for Husqvarna Chainsaws£0.72 £0.60 -
Bushing Diam 25,4 mm for Husqvarna K760 - 506 37 96 25£14.22 £11.85 -
Coupler for Husqvarna K760 - 503 26 60 04£6.78 £5.65 -
Nipple for Husqvarna K750 - 504 63 42 01£2.58 £2.15 -
Nipple for Husqvarna K760 - 506 29 57 02£11.74 £9.78 -
Hose Clamp - Genuine Husqvarna No. 576 12 97 01£3.60 £3.00 -
Hose Kit for Husqvarna K760 - 505 09 55 01£38.80 £32.33 -
Bushing Diam 30.5 mm for Husqvarna K760 - 506 02 88 30£15.06 £12.55 -
Hose Kit for Husqvarna K760 - 505 09 54 11£34.02 £28.35 -
Washer Steel for Husqvarna K760 - 503 23 01 16£1.50 £1.25 -
Label 12" for Husqvarna K760 - 506 28 41 04£9.90 £8.25 -
Ratchet Flange for Husqvarna K760 - 506 28 84 01£5.17 £4.31