
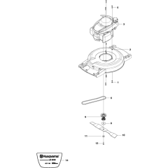
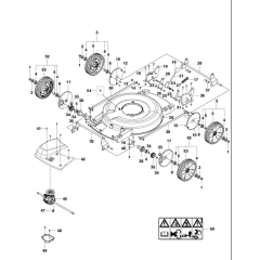
Husqvarna LB 553S Consumer Lawn Mower Parts
Spare Parts for Husqvarna LB 553S Consumer Lawn Mowers. Genuine and Non Genuine Parts Available.
Spare Parts for Husqvarna LB 553S Consumer Lawn Mowers. Genuine and Non Genuine Parts Available.