
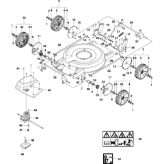
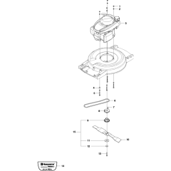
Husqvarna WB53 SE Consumer Lawn Mower Parts
Spare Parts for Husqvarna WB53 SE Consumer Lawn Mowers. Genuine and Non-Genuine Parts Available
Spare Parts for Husqvarna WB53 SE Consumer Lawn Mowers. Genuine and Non-Genuine Parts Available
Shop by diagram
All products
-
Lever Assembly - Genuine Husqvarna Part - 295 66 16-02£12.56 £10.47 -
Spacer - Genuine Husqvarna Part - 295 66 62-02£3.66 £3.05 -
Cup - Genuine Husqvarna Part - 295 66 74-01£16.76 £13.97 -
Arm - Genuine Husqvarna Part - 295 66 77-01£10.28 £8.57