
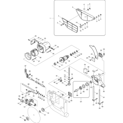
Makita 2704 260mm Table Saw Parts
Spares for Makita 2704 260mm Table Saws. Genuine and Non-Genuine Makita Parts Available.
Spares for Makita 2704 260mm Table Saws. Genuine and Non-Genuine Makita Parts Available.
Shop by diagram
All products
-
Makita Pan HD Screw M5x20 W/Cp Washer - 911233-1£0.48 £0.40 -
Handle for Makita 2704 Circular Saw - 271073-2£4.20 £3.50 -
Armature 110v fits Makita 2704 Table Saws - 510070-6£62.51 £52.09 -
Makita Tf Screw 3x8 GD0801c/GD0811c - 265954-0£0.48 £0.40 -
Makita Label/Caution LS1013bLS120 - 817283-3£0.79 £0.66 -
Makita Pan HD Screw M6x20 2414b/Nb - 911333-7£0.79 £0.66 -
Makita Cord Guard HP1641/BO5031/HP16 - 682504-0£2.27 £1.89