
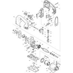
Makita 4340CT Jigsaw Parts
Spares for Makita 4340CT Jigsaws. Genuine and Non Genuine Makita Parts Available.
Spares for Makita 4340CT Jigsaws. Genuine and Non Genuine Makita Parts Available.
Shop by diagram
All products
-
Makita Blade Holder 4340/SMA400 - 310136-0£10.54 £8.78 -
Makita Terminal Block HS7100/KP0800 - 654532-5£3.12 £2.60