
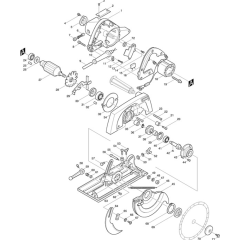
Makita 5900BR Circular Saw Parts
Spares for Makita 5900BR Circular Saws. Genuine and Non Genuine Makita Parts Available.
Spares for Makita 5900BR Circular Saws. Genuine and Non Genuine Makita Parts Available.
Shop by diagram
All products
-
Makita Helical Gear 44 5900br - 221013-0£13.40 £11.17 -
Makita Field 240v 5900br - 524127-7£38.36 £31.97 -
Makita Armature 240v 5900br - 516514-4£75.14 £62.62 -
Needle Bearing 1210 for Makita HM0810, HM0810T, HR3850K Hammer Drills - OEM No. 212102-2Was £5.86 £4.88 Special Price £4.68 £3.90VIEW -
Makita Pan HD Screw M4x16/PO6000c - 911126-2£0.48 £0.40 -
Makita Countersunk Screw M4x14 W/Sp - 912121-5£0.48 £0.40 -
Makita Hex HD Screw M6x16 SR1800 - 265251-4£0.48 £0.40 -
Makita Strain Relief 4157kb/6820v - 687001-1£0.48 £0.40 -
Makita Pan HD Screw 5x10 3601b - 911207-2£0.62 £0.52 -
Makita Dust Seal 6201-12 4157kb - 213102-5£0.79 £0.66 -
Makita Special Hex Nut M8x14 5900br - 252003-2£0.79 £0.66 -
Makita Rubber Sleeve 6 5900br - 262501-8£0.79 £0.66 -
Makita Insulation Washer 2012nb - 681623-9£0.79 £0.66 -
Makita Wing Nut M6 - 934301-3£0.94 £0.78 -
Makita Sq Neck Screwset M8x24 5900br - 251918-0£1.10 £0.92 -
Makita Bearing Cover 48 5900br - 285007-9£1.25 £1.04 -
Makita Hex HD W. Collar Bolt M8x20 - 251644-1£1.42 £1.18 -
Makita Retaining Ring S-48 - 961203-0£1.42 £1.18 -
Makita Long Shoulder Bolt M6 5900br - 251221-9£1.73 £1.44 -
Makita Key 4-13 5900br/2400b - 254203-0£1.70 £1.42