
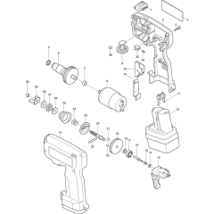
Makita 6794D 9.6V Screwdriver Parts.
Spares for Makita 6794D 9.6V Screwdriver.
Spares for Makita 6794D 9.6V Screwdriver.
Shop by diagram
All products
-
Makita Steel Ball 7.1 6906/HR160dwh- - 216009-4£0.48 £0.40 -
Makita Compression Spring 2 6795d - 231453-4£0.48 £0.40 -
Makita Compression Spring 3 6791d - 231461-5£0.48 £0.40 -
Makita Hard Washer 6 JV2000/BFL080/1 - 253726-5£0.48 £0.40 -
Makita Blue Washer 3 6791d - 253821-1£0.48 £0.40 -
Makita Plane Bearing 5 BFS440/6010dw - 214017-9£0.62 £0.52 -
Makita Plane Bearing 4 6012hdw/5081d - 214019-5£0.62 £0.52 -
Makita Large Hard Washer 8 6012d - 253851-2£0.62 £0.52 -
Makita Disc 6012hdw/6795d - 341902-4£0.62 £0.52 -
Makita Ext Inverted Circlip-12 6791d - 961072-9£0.62 £0.52 -
Makita Pin 3 6791dw/6795d - 322241-1£0.79 £0.66 -
Makita Stopper 6791dw/6795d - 414515-5£0.79 £0.66 -
Makita Slider 6012hdw/6795d - 164625-5£1.42 £1.18 -
Makita Conical Compression Spring 18 - 231945-3£1.42 £1.18 -
Makita Compression Spring 10-12 6791 - 231949-5£1.42 £1.18 -
Makita Set Plate 6791dw/ML120/ML121 - 343579-1£1.42 £1.18 -
Makita Plate 6791/6792d/6795d - 344058-2£2.56 £2.13 -
Switch fits Makita 6795D Screwdriver - 651889-5£8.46 £7.05 -
Makita Set Plate 6704d/6795d/2400/B - 344798-2£9.24 £7.70 -
Makita Switch C3z-3 6791dw/6795d - 651237-8£9.50 £7.92 -
Makita Spur Gear 12 6791dw/6795d - 226258-5£16.90 £14.08 -
Makita Housing Set 6791dw/6795d - 182891-2£30.94 £25.78 -
Makita DC Motor 9.6v 6792d - 629607-9£52.26 £43.55 -
Makita Control Circuit 6791/2/3/4 - 631196-2£55.12 £45.93