
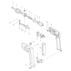
Makita 8400D 9.6V Cordless Hammer Drill Parts
Spares for Makita 8400D 9.6V Cordless Hammer Drill
Spares for Makita 8400D 9.6V Cordless Hammer Drill
Shop by diagram
All products
-
Makita Roller 6-8 8402d - 256047-4£1.10 £0.92 -
Makita Relay Cover 8400dw - 410192-1£0.48 £0.40 -
Makita Battery Cover UC120dw/VR250dw - 414938-7£0.48 £0.40 -
Makita Rubber Plug 8400dw - 423030-8£0.48 £0.40 -
Makita Plane Bearing 4 6012hdw/5081d - 214019-5£0.62 £0.52 -
Makita Holder 6 6010dw/8402vd - 411640-3£0.62 £0.52 -
Makita Guide Plate 8402dw/Vdw/8400d - 342668-9£1.42 £1.18 -
Makita Retainer 8402dw/Vdw/8400dw - 342669-7£3.12 £2.60 -
Makita Set Plate DA312d - 342833-0£3.38 £2.82 -
Makita Change Lever 8400dw - 164702-3£4.56 £3.80 -
Makita Gear 17-76 8400dw/8402dw/Vdw - 226067-2£18.34 £15.28 -
Makita DC Motor 9.6v 5081dw 8402dw - 629574-8£30.94 £25.78