
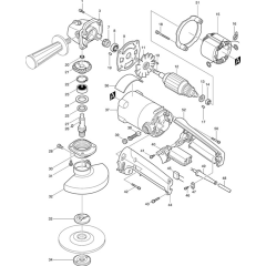
Makita 9005B Angle Grinder Parts
Spares for Makita 9005B Angle Drivers. Genuine & Non Gen Makita Parts Available.
Spares for Makita 9005B Angle Drivers. Genuine & Non Gen Makita Parts Available.
Shop by diagram
All products
-
Makita Pan HD Screw M5x65 LS1030 - 911290-9£1.25 £1.04 -
Makita Power Supply Cord 1.0-2-2.5 - 692021-2£7.84 £6.53 -
Makita Rubber Pin 4 SR2600/N1923bd/H - 263014-2£0.48 £0.40 -
Makita Felt Ring 20 9005b - 443051-4£0.48 £0.40 -
Makita Strain Relief UH4570/55/5580/ - 687063-9£0.48 £0.40 -
Makita Tf Screw 4x18 Trilobular 9005 - 265941-9£0.62 £0.52 -
Strain Relief for Makita Machines - 687052-4£0.79 £0.66 -
Makita Pan HD Screw W. Washer M5x16 - 251259-4£0.94 £0.78 -
Makita Gap HD Screw M4x14 W.Captive - 266148-0£0.94 £0.78 -
Makita Blue Washer 22 5603r - 267126-3£0.94 £0.78 -
Makita Band VC3211m/HR4110c/LF1000 - 687010-0£1.42 £1.18 -
Makita Name Plate 9005b - 854116-1£1.70 £1.42 -
Makita Plate 9005b - 341681-4£3.38 £2.82 -
Makita Bearing Box 9005b - 315282-4£10.02 £8.35 -
Makita Spindle ( Din ) 9005b - 321341-4£18.34 £15.28 -
Makita Handle Set 9005b - 182853-0£19.76 £16.47 -
Makita Gear Housing 9005b/PC1100 - 159710-7£26.52 £22.10 -
Makita Field 110v 9005b - 522516-0£29.52 £24.60 -
Makita Field Assembly 240v 9005b - 522674-2£29.52 £24.60 -
Makita Motor Housing 9005b/Jn,JS3200 - 156734-4£30.94 £25.78 -
Makita Gear Set 13/43 9005b - 181737-9£47.84 £39.87 -
Makita Armature 240v 9005b - 518614-6£70.72 £58.93