
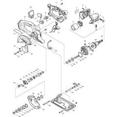
Makita BCS550 Cordless Circular Saw Parts
Spares for Makita BCS550 Cordless Circular Saws. Genuine and Non Genuine Makita Parts Available.
Spares for Makita BCS550 Cordless Circular Saws. Genuine and Non Genuine Makita Parts Available.
Shop by diagram
All products
-
Yoke Unit for Makita BUB360 Leaf Blower - 638420-4£27.96 £23.30 -
Makita Lock Off Lever BCS550/Dkp180 - 419664-3£1.25 £1.04 -
Makita Switch Lever BHS630/DCS550/Dk - 419665-1£1.25 £1.04 -
Makita Safety Cover Comp DCS550 - 158116-6£5.34 £4.45