excellent reviews view over 8000 reviews
next day delivery over 500,000 items in stock
no hassle returns buy with confidence
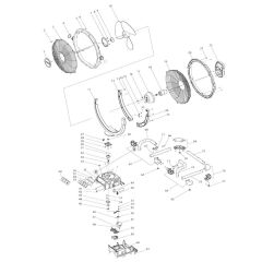
Makita DCF300 Fan Parts

Makita DCF300 Fan Parts

Genuine and non-genuine spare parts for Makita BCF201 Fans.
Genuine and non-genuine spare parts for Makita BCF201 Fans.

All products

We can't find products matching the selection.

Recently viewed products