
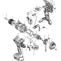
Makita DDF458RFE Cordless Driver Drill Parts
Genuine Spare Parts Available for Makita DDF458RFE Cordless Driver Drill. Complete Parts Breakdown Provided.
Genuine Spare Parts Available for Makita DDF458RFE Cordless Driver Drill. Complete Parts Breakdown Provided.
Shop by diagram
All products
-
Makita Tapping Screw Bind 3 x 16 - 266130-9£0.48 £0.40 -
Makita Heat Sink BHP448/458/BDF448/4 - 689176-2£3.38 £2.82 -
Makita Pan HD Screw M3x10 Dsd180 - 911013-5£0.48 £0.40 -
Makita Seal BTD134/146/BDF458 - 424430-5£0.62 £0.52 -
Makita Hex Locking Nut M4-7 Mt/TD126 - 252126-6£0.94 £0.78 -
Makita Grip Base 60 BHP448/458/BDF458 - 453584-1£2.42 £2.02 -
Makita Grip Spring BHP448/458/BDF448 - 346566-9£2.70 £2.25 -
Makita Gear Assembly BDF448/458 - 126098-0£85.54 £71.28