
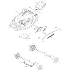
Makita DLM432 Cordless Mower Parts
Shop by diagram
All products
-
Switch fits Makita DHS710D Circular Saw - 650730-9£17.60 £14.67 -
Makita Strain Relief M9001/Dvc/RP0900 - 687124-5£0.48 £0.40 -
Makita Arm DLM380/Am3738/BLM381/LM38 - 455078-2£0.79 £0.66 -
Makita Flat Washer 9 7104l/DLM431 - 253808-3£0.94 £0.78 -
Makita Lever DLM380/Am3738/BLM381/Lm - 455075-8£0.94 £0.78 -
Makita Switch Button DLM380/Am3738/B - 455074-0£1.10 £0.92 -
Makita Nut M5 Eg4550a/5550a/6050a - YA00000393£1.42 £1.18 -
Makita Thum Screw M8x35 LM430/DLM431 - 266729-0£3.16 £2.63 -
Makita Lead Unit LM430d - 638946-6£3.52 £2.93 -
Makita Lower Pipe DLM431/DLM430 - 326635-2£15.08 £12.57 -
Makita Connecting Rod LM430d/DLM431 - 346543-1£16.90 £14.08 -
Upper Pipe Comp Dlm431/430 Makita OEM No. 143510-5£16.26 £13.55