
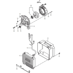
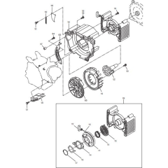
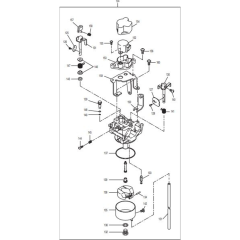
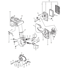
Makita G2800IS Makita Generator Parts
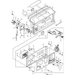
Genuine Spare Parts Available for Makita G2800IS Makita Generator. Complete Parts Breakdown Provided.
Genuine Spare Parts Available for Makita G2800IS Makita Generator. Complete Parts Breakdown Provided.
Shop by diagram
All products
-
Makita Nut M5 DBC260l/U/RBC3101 - 264035-7£0.48 £0.40 -
Makita Str Pin 8x10 G4300is - 9804008110£1.56 £1.30 -
Makita Gasket G4300is/G1700i - 2516235008£1.70 £1.42 -
Makita Pin G1700i - 2846251508£3.12 £2.60 -
Makita Control Dial G4300is/G1700i - 33K4201003£3.12 £2.60 -
Makita Chain Guide G4300is/EW220 - 20A3691303£3.52 £2.93 -
Makita Micro Switich G4300is/G1700i - 33K4181103£5.46 £4.55 -
Makita Bracket G4300is - 33B4601501£6.24 £5.20 -
Makita Terminal Bolt ( Red ) G1700i - 3634570108£7.80 £6.50 -
Makita Spacer G4300is - 34G5530401£10.28 £8.57 -
Makita Starter Rope G4300is - 2775040808£12.10 £10.08 -
Makita Micro Switich G4300is/G1700i - 33K4181203£12.48 £10.40 -
Makita Mount Comp ( R ) G2800l - 32B3020111£16.90 £14.08 -
Makita Bracket ( Motor ) G4300is - 2846257608£18.34 £15.28 -
Makita Valve Assembly Needle G4300is - 2796250008£19.12 £15.93 -
Makita Cover Bolt G4300is - 34G5530301£19.24 £16.03 -
Makita Oil Sensor Comp EW220r - 2777630121£33.80 £28.17 -
Makita Rectifier G1700i - 34K2090308£41.34 £34.45 -
Makita Motor G4300is/G1700i - 2846258008£59.02 £49.18 -
Makita Rear Cover G4300is - 34B2307101£125.88 £104.90 -
Makita Monitor C/U Comp Inv2 G4300i - KU31177011£269.40 £224.50