
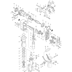
Makita HM1303B Hammer Drill Parts
Spares for Makita HM1303B Demolition Hammer Drill.
Spares for Makita HM1303B Demolition Hammer Drill.
Shop by diagram
All products
-
Makita Cap HD Screw M6x50 HMJ0810 - 922371-4£1.25 £1.04 -
Makita Cap HD Screw M5x16 HMJ1200 - 922221-3£0.62 £0.52 -
Makita O Ring 36 HMJ1303/B - 213519-2£5.08 £4.23 -
Makita Y Ring 36 HMJ1303/B - 213520-7£6.50 £5.42 -
Makita Urethane Ring 49 HMJ1303/B - 262072-5£10.02 £8.35 -
Makita X Ring 25 HMJ1303b - 213383-1£15.48 £12.90 -
Makita Split Cotter Pin 3-20 Bs1574 - 952257-8£0.48 £0.40 -
Makita M10 Spring Ring Din128 LS800d - 942251-8£0.48 £0.40 -
Makita Non Insulated Terminal GD0801 - 654091-9£0.62 £0.52 -
Makita Hex Socket HD Bolt M10 X 35 - 922557-0£0.62 £0.52 -
Makita Motor Housing Cover HMJ1303b - 341397-1£0.79 £0.66 -
Makita Lock Button HMJ1303/B/HMJJ304 - 415805-9£0.94 £0.78 -
Makita Lock Plate HMJ1303/B/HMJJ304 - 415806-7£0.94 £0.78 -
Makita Motor Housing Packing HMJ1303b - 442009-0£0.94 £0.78 -
Makita Cap Screw M6x22 - 265366-7£1.25 £1.04 -
Makita Label/Makita 5103rHMJ1303b - 819084-5£1.25 £1.04 -
Makita Cap HD Screw M6x40 HR5211c - 922361-7£1.25 £1.04