
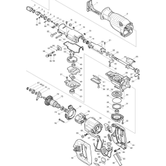
Makita JR3070CT Reciprocating Saw Parts
Spares for Makita JR3070CT Reciprocating Saw. Genuine and Non Genuine Makita Parts Available.
Spares for Makita JR3070CT Reciprocating Saw. Genuine and Non Genuine Makita Parts Available.
Shop by diagram
All products
-
Makita Hex Socket HD Bolt M5x8 JR306 - 265530-0£0.62 £0.52