
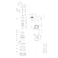
Makita PF1100 Drainage Pump Parts
Shop by diagram
All products
-
Bolt Pf1100 Makita OEM No. 609024639£0.94 £0.78 -
Seal 4-4.2x2 Pf1100 Makita OEM No. 609024647£1.42 £1.18