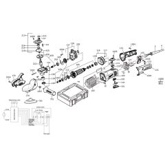
Milwaukee AP14 Corded Polisher Parts
Genuine and aftermarket spare parts and accessories for Milwaukee AP14. A selection in stock available for next day delivery. Buy from an approved Milwaukee dealer.
Genuine and aftermarket spare parts and accessories for Milwaukee AP14. A selection in stock available for next day delivery. Buy from an approved Milwaukee dealer.
Shop by diagram
All products
-
Gear Box for Milwaukee Machines - OEM No. MIL4931432820£13.27 £11.06 -
Wire for Milwaukee Machines - OEM No. MIL4931624734£28.94 £24.12 -
Gear Box for Milwaukee Machines - OEM No. MIL4931432834£42.40 £35.33 -
Gear Box for Milwaukee Machines - OEM No. MIL4931432835£47.71 £39.76