excellent reviews view over 8000 reviews
next day delivery over 500,000 items in stock
no hassle returns buy with confidence
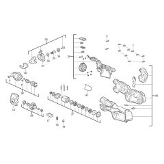
Milwaukee M12BLPRS Secateur Parts

Milwaukee M12BLPRS Secateur Parts

All products

6 Items

Set Descending Direction

6 Items

Set Descending Direction

Recently viewed products